Products
News
更新時間:2020-11-02
氣動V型不銹鋼對夾球閥采用CNC全自動加工技術,一體式精加工而成,閥體及內部件均為304、316、316L、2520等不銹鋼材質,球芯及閥座為304、316、316L、2520材質并且表面噴涂鈷基合金或碳化鎢合金等,亦可選用陶瓷件如氧化鋯陶瓷或者復合鈦鑭陶瓷。
氣動V型球閥的關閉件是半球體上開有V字型開口,V型開口具有鋒利的刃口,在球體回轉過程中,關閉件之間有擦拭作用,對介質具有強有力的切斷力,球體的V型開口與閥座流道形成一個扇形區域,在回轉過程中可改變流道截面積,形成對介質的精確調節

氣動V型不銹鋼對夾球閥主要技術參數與性能:
公稱通徑:DN25~250
壓力等級:PN10~25;150LB~300LB;10K
主體材質:304、316、316L、2520等
密封類型:金屬硬密封
密封面材質:噴涂鎳基合金、鈷基合金、碳化鎢、STL司太立等
適用溫度范圍:-40℃~220℃;-40℃~300℃;-40~450℃;-40~600℃
密封等級:GB/T4213,FCI 70-2 V級、VI級
可選氣動附件:電氣閥門控制定位器、電磁換向閥、限位開關回訊器、空氣過濾減壓閥、油霧潤滑器等
驅動方式:氣動;氣動帶手動

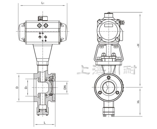
氣動V型不銹鋼對夾球閥主要尺寸:

氣動V型不銹鋼對夾球閥外形結構:

![]() |
四川成都**手機用戶(該用戶設置隱藏) |
|
| 我們造紙廠常年用的都是這個氣動V型球閥,調節的是很準的,領導說以前一期的那些閥后面陸陸續續都要換,還希望以后能長期合作,質量好是前提 | ||
| 2019年5月29日 | 贊(18) | |
![]() |
江蘇鎮江**(該用戶設置隱藏) |
|
| 染布廠以前用的進口的,貨期太慢,換了你們的V型球閥試一下,效果很不錯,一點都不比進口的差,調節的精度非常高,贊一個 | ||
| 2018年5月18日 | 贊(36) | |
![]() |
新疆昌吉**手機用戶(該用戶設置隱藏) |
|
| 我們電廠一直用的都是你們家的,質量過硬,調節精度高,工程師對比了好幾家的,最好還是決定用你們的,快三年了吧,五十五臺都還很正常 | ||
| 2017年11月27日 | 贊(68) | |